No Power to Taillight??

Started by mtnduc, May 21, 2017, 10:35:54 PM

Previous topic - Next topic

mtnduc

2005 S4R
Helping a buddy do some upgrades to his Monster.
Installed a bunch of Rizoma parts today including turnsignals.
When installing either the LED taillight he bought or the stock taillight there is no power to the unit.
All turnsignals work but no power to the taillight.  If I connect power from a spare battery directly to the taillight it works.
If I put a meter on the pin outs on the plug from main harness to the tailsection harness the grey/red wire has no power.  The other 3 all register 12 volts with the main off to one side separated by the plastic barrier so I'm assuming that is the hot pin.
He says the stock taillight worked this AM but it vibrated loose from the hack job done by the PO on the way to my house.  I'm not so sure abut that.

Comments???

Heath

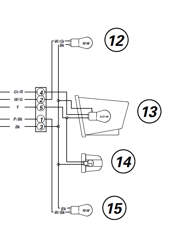
Grey/Red (Gr/R) is only going to have power if you have the brake on. i.e pull the front brake or press the rear brake.
Yellow (Y) wold be your lead for the running light and the plate light.
The others are the ground (Bk) and the leads for the turn signals.

Double check all your wiring and grounds. Check both sides of the plug a pin could be loose.



Owners manuals can be pulled from Ducati's website at http://www.ducati.com/services/maintenance/index.do That is where I snipped this pic from on the wiring diagram.
2007 Ducati Monster S4RT
2006 Ducati Monster S2R800 Dark [sold]

mtnduc

Thanks.
Will re-check in the AM.

Brian

mtnduc

All good.
Thanks for the help.

Had to re-do all connections and then the taillight was wired incorrectly so after I switched wires Viola!!


Heath

been there done that! Glad it works now  [thumbsup]
2007 Ducati Monster S4RT
2006 Ducati Monster S2R800 Dark [sold]